ABOUT US

诺秉到货啦

MAIL
15900707033@163.com
TELEPHONE
021-51863018
ADDRESS
虹口区黄渡路74号虹鹰大楼 311室

首页 > 资料共享 > 诺秉到货啦

诺秉到货啦 | ABOUT US

德国必威B+W BIHL+WIEDEMANN

BWU2794 ASi-3 PROFINET协议下的PROFIsafe 安全网关,单主站
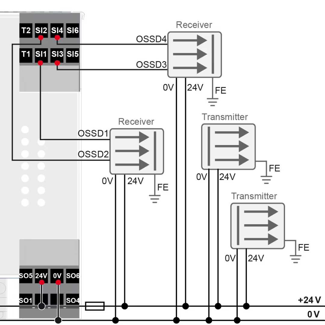
ASi-3 PROFINET协议下 PROFIsafe 网关集成安全监视器,单主站,支持单电源双主站的供电方式,网关自带6个数字量输入或者3个双通道安全输入 (SIL 3, Kat. 4),最大可扩展至31个双通道安全输入,6个安全输出回路(6路电子式安全输出),最大可扩展至31个安全输出,PROFIsafe(F-CPU),通过PROFINET或者以太网诊断接口实现诊断与配置功能,带重复地址诊断功能,可加装C语言编程功能,防护等级IP20。

一诺千金 秉行如一  
一站式工厂进口备件服务商
上海诺秉自动化科技有限公司 
孙工 15900707033(微信同号)
微信图片_2026-02-11_110558_437.jpg
微信图片_2026-02-12_153649_240.jpg
微信图片_2026-02-12_153654_546.jpg
微信图片_2026-02-12_153658_794.jpg
微信图片_2026-02-12_153704_920.jpg
上海诺秉自动化-经营品牌简介2026.jpg
关于我们 | 代理品牌 | 优势品牌 | 配套及维修 | 联系我们

Copyright © 2006 nb-automation.com All Rights Reserved. 上海诺秉自动化科技有限公司 版权所有

网站备案号:沪ICP备14024361号-1

工商标识亮照